The default (minimum) ATOM had the following memory map (hex numbers
are proceeded with an '#':

#F000-#FFFF   ROM         MM52164    IC20        OS ROM

#C000-#CFFF   ROM         MM52164    IC20        Basic ROM

#B000-#B3FF   PPI         INS8255    IC25        Keyboard, Tape I/O, Speaker

#8000-#83FF   RAM         2114       ICs 42&43   Graphics and Basic RAM

#0000-#03FF   RAM         2114       ICs 51&52   Stack and scratch RAM


Extensions:

#D000-#DFFF   ROM         MM52132    IC21        Floating point ROM

#E000-#EFFF   ROM         MN52132                Disk Operating System ROM

#B800-#BBFF   VIA         6522       IC1         Printer Interface
#B400-#B7FF   Extension   PL8                    Econet Interface

#A000-#AFFF   ROM         MN52132    IC24        Utilities ROM


#9400-#97FF   RAM         2114       ICs 32&33   Graphics RAM
#9000-#93FF   RAM         2114       ICs 34&35   Graphics RAM
#8C00-#8FFF   RAM         2114       ICs 36&37   Graphics RAM
#8800-#8BFF   RAM         2114       ICs 38&39   Graphics RAM
#8400-#87FF   RAM         2114       ICs 40&41   Graphics RAM

#3C00-#7FFF   Extension   PL6/7                  Reserved for external RAM

#3800-#3BFF   RAM         2114       ICs 18&19   Basic RAM
#3400-#37FF   RAM         2114       ICs 16&17   Basic RAM
#3000-#33FF   RAM         2114       ICs 14&15   Basic RAM
#2C00-#2FFF   RAM         2114       ICs 12&13   Basic RAM (FP?)
#2800-#2BFF   RAM         2114       ICs 10&11   Basic RAM

#0400-#27FF   Extension   PL6/7                  Reserved for Eurocards

When RAM is placed at #2800 and up, the Basic text is placed there,
leaving the #8000 and up region for graphics.

The Disk Operating System expansion card added the following to the
memory map:
#Exxx         ROM
#0A00-#0A7F   8271 FDC
#0400-#09FF   RAM

Non-Acorn modifications:
ROM SWITCHING
A single utility ROM was not enough, as many ROMs were devised, so a
switching card was created, which could map one of several ROMs on the
#A000-#AFFF location. The OS ROM at #F000-#FFFF was changed, allowing
automatic paging looking for the command to be executed. This mechanism
is similar to the BBC ROM switching. The switching is done with port 
#BFFF. 

CMOS RAM
The 2114 RAM ICs were not very economic in power consumption, which
could lead to power supply problems in extended Atoms. This led to
the development of CMOS RAM cards. Initially these cards supplemented
the standard memory with a new block from #4000 to #7FFF. Per 2 kByte
chip a battery backup and/or write protect could be used. With the
falling RAM prices and increasing capacities, eventually the complete
lower 32K region was covered. As the PL6/7 buffer assumed the memory
ranges #0400-#27FF, #3C00-#7FFF and #Exxx were external, some
modification to the mainboard was needed.

Graphics RAM in CMOS.
The graphics region spanned #84xx-#97xx, or 5 kByte. A 8 kByte CMOS RAM
chip replacing the 2114s reduced power consumption and supply additional
RAM space, not used by the OS. The covered memory would run from #8000
to #9FFF.

More disk capacity, CP/M
The original 8271 Floppy Disk Controller chip supported only single
density, and the operating system only single sided, 40 track disks.
And the chip is unavalilable from the original sources.
As an alternative to upgrading the FDC and patch the DOS, the decision
was made to combine the project with support for a popular OS of the
time: CP/M. A board containing a Z80 CPU, 64 kByte RAM, WD1793, and a
interface Z80 PIO was designed. With a small change in the Atom DOS
ROM and some basic intelligence in the Z80 boot ROM, both Atom FDC
emulation and CP/M support was archieved. Adding an 80 colomn VDU
card completed the CP/M configuration.
The communication between the Atom and the Z80/FDC card was done via
an VIA card. This card implemented an extra 6522 VIA, two 4 kByte
ROM sockets and a 2 kByte RAM socket at #0400. The ROM sockets could
be mapped from #9xxx to #Fxxx. The primary purpose was to provide a
DOS ROM at #Exxx.

Mapping #Axxx and #BC00-#BFFF outside the bus
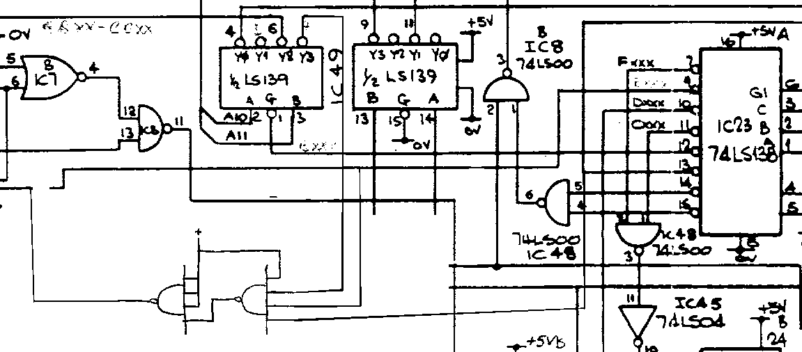
This was done with a simple modification called "daktuin" (roof garden).
schema daktuin. 
The signal used to switch #Exxx to the outside of the bus, is now 
modified to switch #Axxx and #BC00-#BFFF too.

When placed in the context, the "daktuin" looks as follows:
Atom incorporating daktuin