The Acorn Atom Technical Manual
Currently available:
The Atom Technical Manual, issue 2, 1980
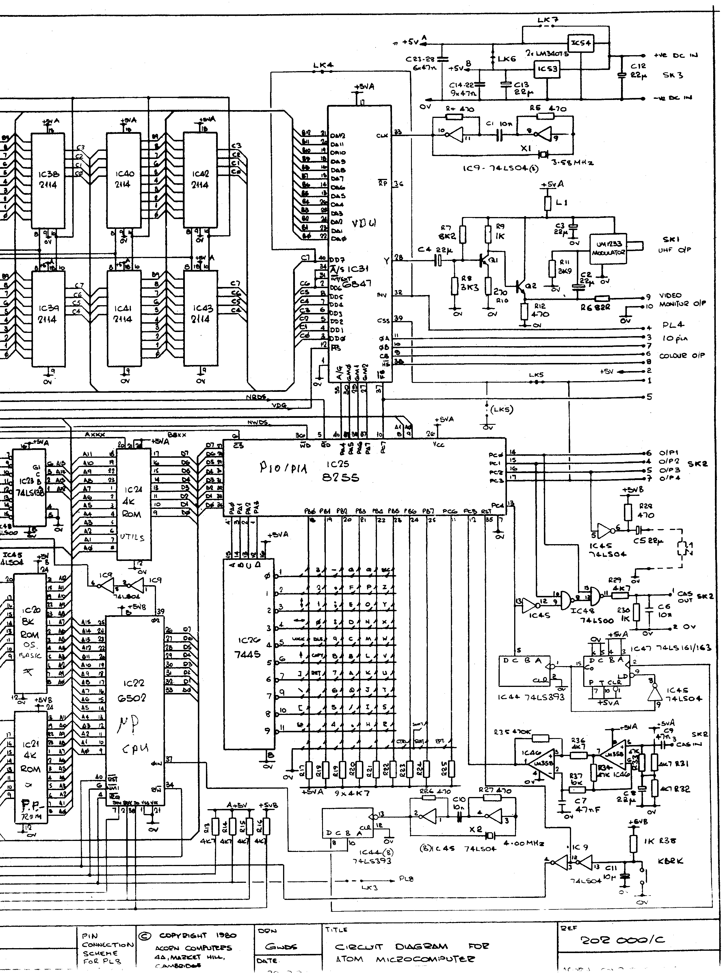
Atom schema left half
, A4, 300 dpi
Atom schema right half
, A4, 300 dpi
Latest update: 2001-01-15
e-mail
fjkraan@electrickery.nl